TEC Engineering manufactures state of the art custom designed control panels for all of our systems. ... Learn more
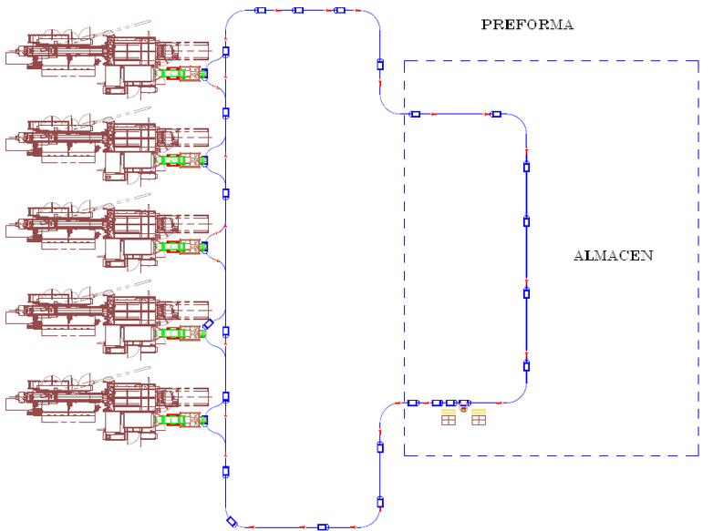
We have developed an automated application focused on companies with several operations and continuous format changes who ha... Learn more
We offer assembly line automation by creating conveyor cells with Smart Controls... Learn more




