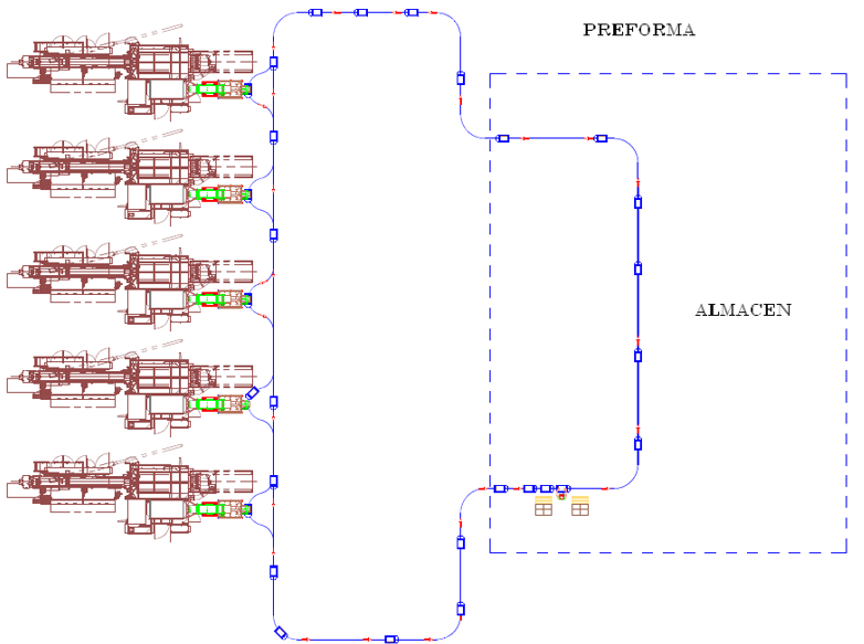
Nuestra propuesta para automatizar las líneas de ensamble es crear celdas de Bandas Transportadoras con Control Inteligen... Ver más
Empresas que tienen muchas operaciones y cambios de formatos continuos, crean una acumulación alta de equipos en piso... Ver más
TEC Engineering fabrica Tableros de Control con tecnología de punta, diseñados específicamente para cada uno de nuestros ... Ver más




